Our CAD Classes

Master Computer-Aided Design with our expert-led courses designed for all skill levels.

AutoCAD Basics
AutoCAD Basics

Learn the fundamentals of AutoCAD, including drawing, editing, and basic 2D design techniques.

Learn More
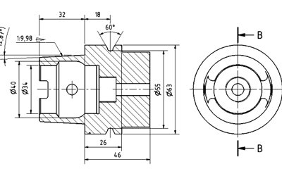
Understanding Engineering Drawings
Understanding Engineering Drawings

Learn to interpret and create precise engineering drawings for design, manufacturing, and technical communication.

Learn More
CAD Prodigy: Design Like a Pro
CAD Prodigy: Design Like a Pro

Learn professional CAD skills to create precise digital design models.

Learn More
firdip logo
back top